[筑图网]设计师兼职创收平台,上传图纸挣分成,上传资料得积分。
文档资料
图纸
推广
热搜:
办公楼
污水处理厂
建筑图纸
廊
宿舍楼
农村自建房
教学楼
广告牌
住宅楼
光伏
首页
文档资料
图纸
建筑
结构
园林
环保
电气
暖通
给排水
装修
水利
施工
路桥
机械
课程设计
文档资料:
设计资料
建筑施工
书籍
造价
论文
实习
监理
软件
消防
地产
教程(文档)
机械资料
首页
>
图纸
>
暖通空调图纸
>
采暖供热图
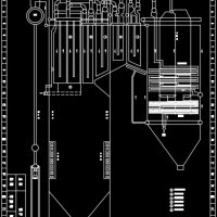
电厂600MW机组锅炉系统设计图
上传会员:
menghan603
图纸格式:
dwg
文件大小:
件
M
发布日期:
2025-10-19
收藏
下载数量:
累计下载
0
次
关注人数:
已有
3
人关注
评论人数:
已有
0
条评价
所需筑图币:
筑图币:
10.00
点击图片查看原图
[发信件咨询]
发布者
图纸详情
评价详情(0)
交易记录(0)
电厂600MW机组锅炉系统设计图,包含机组仪用及检修用压缩空气系统图,锅炉吹灰系统图,锅炉密封风系统图,锅炉剖视图,锅炉疏水排气系统图,锅炉主汽系统图 ,炉水循环泵冷却系统图,锅炉主给水系统图
正在载入评论详细...
正在载入交易记录...
资料由用户上传分享,版权归原作者所有,如有侵权,请发邮件到zhutucn@163.com,我们会及时处理
网站首页
|
客服QQ:2095057640
|
关于我们
|
联系方式
|
使用协议
|
免责声明
|
网站地图
|
排名推广
|
广告服务
|
积分换礼
|
网站留言
|
RSS订阅
|
违规举报
|
公安网备14031102000277
公安网备14031102000277
晋ICP备19002093号-1