[筑图网]设计师兼职创收平台,上传图纸挣分成,上传资料得积分。
文档资料
图纸
推广
热搜:
办公楼
污水处理厂
建筑图纸
廊
宿舍楼
农村自建房
教学楼
广告牌
住宅楼
光伏
首页
文档资料
图纸
建筑
结构
园林
环保
电气
暖通
给排水
装修
水利
施工
路桥
机械
课程设计
文档资料:
设计资料
建筑施工
书籍
造价
论文
实习
监理
软件
消防
地产
教程(文档)
机械资料
首页
>
图纸
>
环保图纸
>
生活污水处理
河南污水处理厂电气设计施工图(含自控)
上传会员:
zt16
图纸格式:
dwg
文件大小:
件
M
发布日期:
2026-04-22
收藏
下载数量:
累计下载
0
次
关注人数:
已有
15
人关注
评论人数:
已有
0
条评价
所需筑图币:
筑图币:
10.00
点击图片查看原图
[发信件咨询]
发布者
图纸详情
评价详情(0)
交易记录(0)
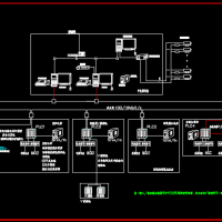
河南污水处理厂电气设计施工图(含自控), 本设计包括:厂区内各种电气管线的设计、厂区道路照明、高、低压配电系统、照明、防雷、接地、自控系统等的设计。
正在载入评论详细...
正在载入交易记录...
资料由用户上传分享,版权归原作者所有,如有侵权,请发邮件到zhutucn@163.com,我们会及时处理
网站首页
|
客服QQ:2095057640
|
关于我们
|
联系方式
|
使用协议
|
免责声明
|
网站地图
|
排名推广
|
广告服务
|
积分换礼
|
网站留言
|
RSS订阅
|
违规举报
|
公安网备14031102000277
公安网备14031102000277
晋ICP备19002093号-1