[筑图网]设计师兼职创收平台,上传图纸挣分成,上传资料得积分。
文档资料
图纸
推广
热搜:
办公楼
污水处理厂
建筑图纸
廊
宿舍楼
农村自建房
教学楼
广告牌
住宅楼
光伏
首页
文档资料
图纸
建筑
结构
园林
环保
电气
暖通
给排水
装修
水利
施工
路桥
机械
课程设计
文档资料:
设计资料
建筑施工
书籍
造价
论文
实习
监理
软件
消防
地产
教程(文档)
机械资料
首页
>
图纸
>
电气图纸
>
控制与原理
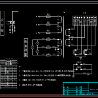
环网型630KVA箱变电气设计施工图纸
上传会员:
捣蛋鬼
图纸格式:
dwg
文件大小:
件
M
发布日期:
2025-04-15
收藏
下载数量:
累计下载
0
次
关注人数:
已有
26
人关注
评论人数:
已有
0
条评价
所需筑图币:
筑图币:
3.00
点击图片查看原图
[发信件咨询]
发布者
图纸详情
评价详情(0)
交易记录(0)
内容包括630KVA箱变高低压柜开孔,630KVA箱变一次系统图,630KVA箱变布局图,630KVA箱变隔板开孔图,630KVA箱变高压进线柜原理图,630KVA箱变低压进线柜原理接线图
正在载入评论详细...
正在载入交易记录...
资料由用户上传分享,版权归原作者所有,如有侵权,请发邮件到zhutucn@163.com,我们会及时处理
网站首页
|
客服QQ:2095057640
|
关于我们
|
联系方式
|
使用协议
|
免责声明
|
网站地图
|
排名推广
|
广告服务
|
积分换礼
|
网站留言
|
RSS订阅
|
违规举报
|
公安网备14031102000277
公安网备14031102000277
晋ICP备19002093号-1